当前位置:网站首页 > 蜗轮箱

2023

03/31 14:06:26
分享
  • 分享到微信朋友圈

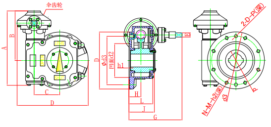
QGW型管网蜗轮箱

该系列是一款90°部分回转驱动装置,适用于手轮方向朝上,地下无法操作的管网式球阀、蝶阀、旋塞阀等类型阀门。

该系列是用伞齿轮箱与大蜗轮箱对接组合成为二级传动蜗轮减速增压机构,形式多样具有高传动效率的优势,稳定的自锁设计,优越的齿轮接触比。

防护等级:IP68

温度界限标配:-20℃ to+120℃

高温:-45℃ to +260℃

输入小力矩,开动大阀门,使操作人员省力,每种型号提供多个传动比,能更好的匹配不同规格的阀门。

为什么选择我们

金彩汇1068是专业生产蜗轮箱、蜗轮头及阀门配件的企业,地处温州瓯北安丰工业区,生产历史悠久、技术力量雄厚、加工设备精良、检验手段完善、生产工艺优质。联系电话:13868378818

常见问题

  • 公司主要生产哪些产品?
    公司主要生产蜗轮箱、蜗轮头等蜗轮系列产品。
  • 贵公司是生产厂家还是贸易公司?
    我们是生产厂家,专业生产各种蜗轮箱、蜗轮头产品。
  • 当我需要报价时,我应该提供哪些信息?
    通常情况下,请将您所需要的产品名称及型号发送给我们,例如:型号、尺寸等,以便我们可以准确报出价格,以便满足您的需求。
  • 我们销售其他品牌的蜗轮系列产品吗?
    我们不销售其他品牌的蜗轮系列产品,但如果我们的品牌适合您,您可以向我们发送您的详细规格要求。获取报价
  • 所需蜗轮产品的规格要求可以定制吗?
    可以定制,请将您所需要定制的蜗轮产品详细要求发给我们。
  • 如果我急需这些产品,多长时间供货?
    如果您急需要订购产品,我们可以为您调货处理或紧急安排生产,争取在短时间内为您发货。
更新时间:2023-03-31 14:06:26  点击次数:
本文链接: http://www.dg-auto.com/product/Pro-172.html
上一篇:QSD型双级加电动蜗轮箱QSD300-BR4 下一篇:QGWS型双级管网蜗轮箱
©2020 金彩汇1068 版权所有   浙ICP备13007858号-4 技术支持:云鼎科技
返回
上页