当前位置:网站首页 > 蜗轮箱

2023

03/30 15:01:12
分享
  • 分享到微信朋友圈

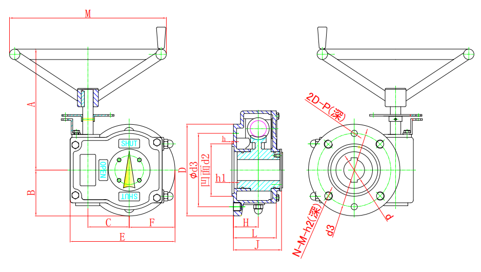
Q型单级手动蜗轮箱

该系列是一款90°部分回转驱动装置(±5°可调),适用于球阀、蝶阀、旋塞阀等类型阀门。

该系列蜗轮箱适用环境广、功能全面、形式多样具有高传动效率的优势,稳定的自锁设计,优越的齿轮接触比。

防护等级:IP68

温度界限标配:-20℃ to+120℃

高温:-45℃ to +260℃

为什么选择我们

金彩汇1068是专业生产蜗轮箱、蜗轮头及阀门配件的企业,地处温州瓯北安丰工业区,生产历史悠久、技术力量雄厚、加工设备精良、检验手段完善、生产工艺优质。联系电话:13868378818

常见问题

  • 公司主要生产哪些产品?
    公司主要生产蜗轮箱、蜗轮头等蜗轮系列产品。
  • 贵公司是生产厂家还是贸易公司?
    我们是生产厂家,专业生产各种蜗轮箱、蜗轮头产品。
  • 当我需要报价时,我应该提供哪些信息?
    通常情况下,请将您所需要的产品名称及型号发送给我们,例如:型号、尺寸等,以便我们可以准确报出价格,以便满足您的需求。
  • 我们销售其他品牌的蜗轮系列产品吗?
    我们不销售其他品牌的蜗轮系列产品,但如果我们的品牌适合您,您可以向我们发送您的详细规格要求。获取报价
  • 所需蜗轮产品的规格要求可以定制吗?
    可以定制,请将您所需要定制的蜗轮产品详细要求发给我们。
  • 如果我急需这些产品,多长时间供货?
    如果您急需要订购产品,我们可以为您调货处理或紧急安排生产,争取在短时间内为您发货。
更新时间:2023-03-30 15:01:12  点击次数:
本文链接: http://www.dg-auto.com/product/Pro-166.html
上一篇:没有了! 下一篇:QD型单级电动蜗轮箱
©2020 金彩汇1068 版权所有   浙ICP备13007858号-4 技术支持:云鼎科技
返回
上页